腾讯视频LiveMusic王菲幻乐演唱会创2149万观看纪录,揭秘高标准制作背后的故事
tpwallet官方网站 2025年3月22日 10:10:08 tp官方正版下载 115
imtoken钱包2025官网下载:imkei.app,imkeo.app,imtoke.app,tkken.com,tokey.app,imkey.app,imtke.app,tkken.in,imtoktte.tu5223.cn tp钱包2025官网下载:tp114.app,tp115.app,tp116.app,tp117.app,tpcockktp.tu5223.cn 比特派钱包2025官网下载:bit114.app,bit115.app,btp1.app,btp2.app,btp3.app,btbtptptpie.tu5223.cn
先进转播系统尝试

腾讯视频在王菲演唱会直播中,首次采用了先进的4K拍摄技术和IP传输。这一技术革新在转播领域具有里程碑意义。4K设备捕捉的画面更加清晰,让观众有如亲临现场之感。而IP传输确保了画面信号稳定传输至观众,有效避免了画面卡顿,提升了观看感受。

传统拍摄和传输技术可能会降低画面质量和稳定性。此次尝试为线上演出的直播带来了新的方向,有望促进行业在技术应用方面的提升,让更多观众能够体验到高质量的线上表演。
创新视频系统架构
这次演唱会运用了端到端全流程的GV 4K/HD IP架构方案,这是我国乃至亚洲首个此类系统。该方案能高效处理和传输数据,保证画面清晰流畅。GV Node实时视音频IP处理平台,依托数据中心架构,能融合处理IP和SDI混合信号,通过2SI模式确保4K/HD制作流程的一致性。
视频系统运用4K IP技术,涵盖制作、切换、录制、监看和HD直播传输等全流程。它对画面细节的把握十分精确。这种既复杂又高效的系统架构,为线上演出的画面质量提供了稳固的支持,彰显了科技的强大魅力。
声音设计新挑战

采用了全景声等先进技术后,这场演唱会对于声音的整体设计有了新的标准。声音的传播不再局限于传统音乐,借助VR等手段,它还能创造出虚拟环境,提升观众的沉浸感。应对这些新的声音设计需求,并与其他技术相融合,以提升线上观众的视听享受,是音频系统设计的关键所在。
线上观看演出时,音质至关重要。运用新技术的同时,需寻求一种恰当的平衡,既要充分利用新技术的长处,又要保证音效在不同设备和环境下都能良好适配,满足观众对优质音效的追求。
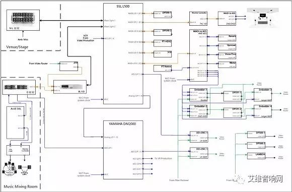
专业音频制作团队
为了实现出色的声音效果,我们特意邀请了我国最优秀的声音制作专家,并为他们提供了杜比全景声的制作方案。整个制作过程中,我们以Live 500 Plus调音台作为核心,搭建了系统的架构。高端的话筒放大器确保了源信号的优质,强大的矩阵系统能够灵活调整核心路由,多样的周边设备确保了节目的高品质。此外,我们还拥有完善的录音和播放子系统,以便保存素材,方便后续使用。
专业团队与设备相辅相成,为音乐声音制作提供了全面保障。录制环节细致入微,后期处理力求完美,每个步骤都力求极致。即便是在线,乐迷们也能享受到最纯净的音乐体验。

沉浸式声音体验
DD+技术以其卓越的压缩能力和广泛的适用性,使得演唱会即便在传统的环绕声节目中播放,也能带来Dolby Atmos全景声的沉浸式听觉享受。DD+能够根据解码器的特性自动调整声音播放方式,再配合全景声的对象化声音处理,确保各种终端设备都能获得最理想的音效体验。

观众对音频体验的期待不断上升,这种身临其境的声音效果让乐迷如同站在舞台正中,体验到声音的环绕与逼真,这对于增强线上演出的吸引力起到了关键作用。

提升线上观看体验措施
为了增强网络观众的观看感受,此次演唱会首次将歌词融入VR虚拟现实技术中,使得不同设备的网络观众都能享受到一致的歌词内容。演唱会中广泛使用了声光电元素,配备了专业的音响设备与特殊装置,这一切都使得线上观看体验仿佛置身现场。
腾讯视频的演唱会直播展示了高超的专业素养和广阔的视野,通过技术优化和观众体验的改进,为我国演唱会及新媒体高端节目的直播制作树立了新的行业标准。今后线上演出是否都能达到这样的水平?你认为这些技术对提升线上演唱会体验有多大帮助?欢迎留言、点赞和转发这篇文章。
imtoken钱包2025官网下载:imkei.app,imkeo.app,imtoke.app,tkken.com,tokey.app,imkey.app,imtke.app,tkken.in,imtoktte.tu5223.cn tp钱包2025官网下载:tp114.app,tp115.app,tp116.app,tp117.app,tpcockktp.tu5223.cn 比特派钱包2025官网下载:bit114.app,bit115.app,btp1.app,btp2.app,btp3.app,btbtptptpie.tu5223.cn
tp官方正版下载是一个重要的工具,帮助用户安全、方便地管理和使用他们的USDT资产。tp官方网址下载都能满足您的多样化需求,是管理数字资产的理想选择。